|
市販の掛時計を改造して、プラネタリウム時計を作ります。上の作例は100円ショップで買ってきた時計を改造したもの。下の作例は600円の高級(?)時計を改造したものです。 具体的には、時計駆動速度を遅くして、長針が23時間56分で1回転するようにし、そこに恒星版をとりつける改造をします。 一定の電気工作ができる人なら、簡単につくることができます。 |
![]() |
時計の見方 表示されている星座は、現在南の空に見えている星空です。 中央の月日表示(回転部分)、時刻表示(固定部分)は、星座早見盤にある表示と同じです。 文字盤の一番上の矢印で、地方恒星時を示しています。 中央の針は意味がありません。時計が動いていることを確認するだけです。 改造に使用する時計は、いわゆるステップ式で、1秒に1回、カチカチと秒針が動くものを使います。スイープ式は使えません。 |
![]() |
時計の分解 時計をばらばらに分解します。 駆動ユニットも分解して、コイルの端子を外に出し、内部基板をはずします。内部基板の水晶振動子は取り外してあとで使用します。 |
![]() |
恒星板の組み立て 時計の文字盤の大きさに合わせて、恒星板とマスクを印刷します。印刷した紙だけでは強度が弱いので、発泡塩ビ板で裏打ちをします。マスクの方は板全体を、回転板の方は、全体を補強すると重くなるので、中心部だけにします。 回転板の中心の穴の大きさは、現物あわせで、長針の軸にうまく刺さるような大きさにします。 恒星板のダウンロード wheel.gif:207Kbyte |
![]() |
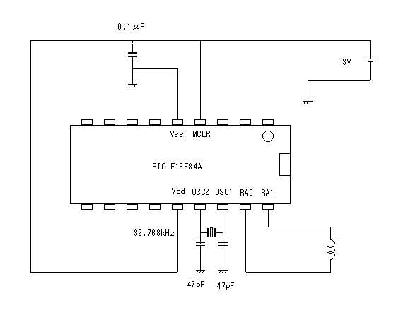
駆動回路 駆動回路は、PICマイコン(PIC16F84A)で作ります。発信器には、先に取り外した水晶を使います。 回路は簡単なので、ユニバーサル基板で組みました。電源は、単三電池が2本で、これで1年以上使用できます。 ユニットの回路図と、PICマイコンのプログラムは、下からダウンロードできます。 回路図のダウンロード starclock.gif:4Kbyte ソースのダウンロード starclock.asm:2Kbyte |
![]() |
組み立て 駆動ユニットと駆動回路を時計に組みこみます。この作例の場合、回路は時計内部に、電池は裏面に貼り付けました。 電池を入れて、ユニットが約23秒に1回のステップで動いているかどうか確認します。 |
![]() |
完 成 恒星板を長針の軸に差込み、文字盤の保護ガラスの裏にマスクを貼りました。文字盤の上部に恒星時を示す針を取り付けています。 こうやって、組み立てると、市販品並みの時計に仕上がります。 |
Copyright(C) by Kazuto Wada 2009